当社は、日本企業様向け下記のサービス内容を紹介させて頂きます:

橋梁図面作成:

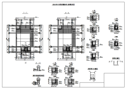
a) 検査路詳細図作成:

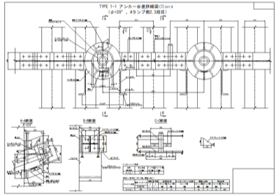
b) 排水管詳細図作成:

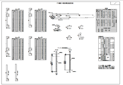
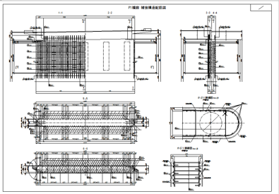
c) 配筋図作成:

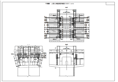
構造関係図面作成:

数量計算書作成:

仮設詳細図作成:

図面のデータ化:

当社は、日本企業様向け下記のサービス内容を紹介させて頂きます:

橋梁図面作成:

a) 検査路詳細図作成:

b) 排水管詳細図作成:

c) 配筋図作成:

構造関係図面作成:

数量計算書作成:

仮設詳細図作成:

図面のデータ化: